Jiangsu Gongtang Chemical Equipments Co., Ltd. Jiangsu Gongtang
  • 
  • Главная
  • О нас+
    • Профиль компании
    • Экскурсия по предприятию
    • Сертификаты
    • Выставки
  • Продукция+
  • Поддержка и услуги
  • Отрасли
  • Проекты
  • Контакты
  • Видео
  • Главная
  • Продукция
  • Эмалированные сборники
  • Горизонтальный эмалированный сборник
Горизонтальный эмалированный сборник
  • Горизонтальный эмалированный сборник
    Горизонтальный эмалированный резервуар с площадкой, ограждениями и лестницей
  • Горизонтальный эмалированный сборник
    Крупногабаритный эмалированный резервуар с боковым люком и рубашкой из полутруб
  • Горизонтальный эмалированный сборник
    Горизонтальный эмалированный резервуар с выносным испарителем
  • Горизонтальный эмалированный сборник
    Горизонтальный эмалированный резервуар 10 000 л
  • Горизонтальный эмалированный сборник
    Эмалированный резервуар с защитным ограждением

Горизонтальный эмалированный сборник

Коррозионностойкие емкости для хранения агрессивных или чувствительных материалов

Очень часто производителям из химической, фармацевтической и нефтехимической промышленности приходится работать с агрессивными кислотными и щелочными материалами, которые могут со временем вызывать износ оборудования. По этой причине устойчивость к коррозии является одним из первоочередных факторов при выборе резервуаров для хранения или сборников. Выбор правильного материала корпуса резервуара не только определяет срок его службы, но и влияет на качество продукции и в некоторых случаях на исход самой химической реакции.

Запросить расценки

Горизонтальные эмалированные сборники специально спроектированы для работы в отраслях со сложными материалами и условиями окружающей среды. Корпус резервуара для хранения изготавливается из углеродистой стали, что дает ему необходимую структурную прочность для промышленного использования. Внутренняя поверхность покрывается слоем стеклоэмали, сплавленной со сталью при высоких температурах, которая образует гладкую и химически стабильную поверхность. Столь прочное покрытие предотвращает прямой контакт между активными химическими реагентами и металлом, снижая риск загрязнения и продлевая срок службы горизонтального резервуара.

Мы производим наши горизонтальные резервуары для хранения (сборники) в объеме от 50 л до 200 000 л с максимальным расчетным выдерживаемым давлением 0,6 МПа. Благодаря универсальным покрытиям они позволяют безопасно хранить различные агрессивные химические вещества в температурном диапазоне от 0 °C до 150 °C, покрывая потребности многих промышленных и химических производств. Сочетая прочность, стойкость и адаптивность, горизонтальные эмалированные сборники стали надежным выбором для наших клиентов по всему миру.

Габаритный чертеж
Габаритный чертеж
Габаритный чертеж
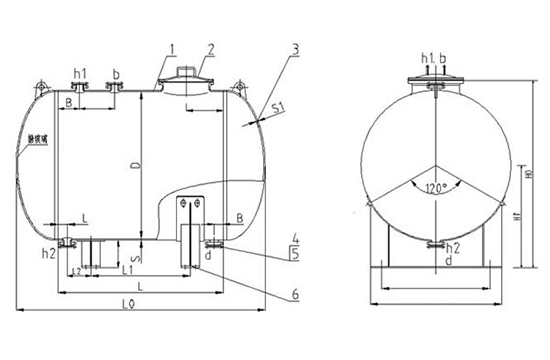
Примечание:
  • 1. Корпус сборника
  • 2. Эмалированный лаз-люк
  • 3. Эллиптическое днище
  • 4. Эмалированный штуцер типа A
  • 5. Фланец на приварном кольце
  • 6. Седловидная опора
Габаритные размеры горизонтальных эмалированных сборников, 3000-12 500 л (мм)
Ном. объем (Vном/л) L0 L1 L2 L3 L4 H1 H A1 K1 A2 B E F A3
3000 2710 900 310 403 250 1760 1000 1350 1120 200 100 490 100 570
4000 3310 1500 310 403 250 1760 1000 1350 1120 200 100 490 120 550
5000 3265 1240 480 440 250 2080 1200 1430 1180 350 150 300 150 300
6300 4060 1740 580 440 250 1980 1200 1430 1180 350 150 600 150 600
10000 4080 1820 415 550 160 2340 1300 1780 1490 250 150 950 150 950
12500 4800 2740 470 649 260 2340 1300 1780 1490 250 150 950 150 950
Технические характеристики штуцеров (мм)
Ном. объем (л) Факт. объем (л) Диаметр Резервуар Толщина днища (S1) Ном. диаметр штуцеров (Dном) Датчик уровня жидкости (длина×кол-во)
Толщина стенок (S) Длина (L) Запасной (a) Запасной (b) Запасной (c) Выпускной (d) Датчик уровня жидкости (e1, e2) Впускной (f) Выпускной (h) Технологический (g)
3000 3490 1450 14 1550 14 65 125 65 65 65 65 65 600 1000×1
4000 4500 1450 14 2150 14 65 125 65 65 65 65 65 600 1000×1
5000 5680 1600 16 2200 16 100 80 80 65 65 80 80 600 1200×1
6300 7100 1600 16 2900 16 100 65 65 65 65 80 80 600 1200×1
10000 10860 2000 20 2700 20 100 100 150 100 65 100 100 800 1300×1
12500 13921 2000 20 3680 20 100 100 150 100 65 100 100 800 1300×1
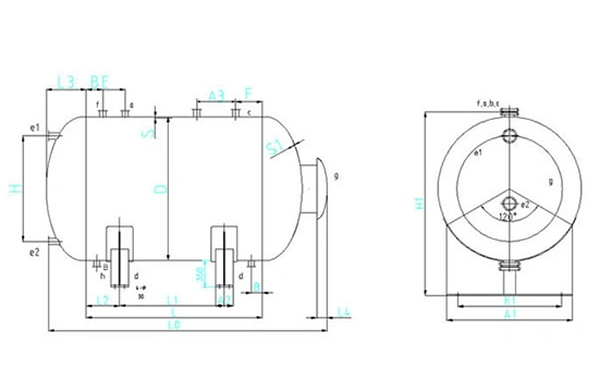
Габаритные размеры горизонтальных эмалированных сборников, 16 000-80 000 л (мм)
Ном. объем (Vном/л) Факт. объем (Vфакт/л) Диаметр (D) Резервуар Толщина днища S1 Ном. диаметр штуцеров (Dном) L0 L L1 L2 H0 H1
Толщина стенок (S) Длина (L) Впускной (b) Запасной (d)
16000 17756 2200 20 3840 20 150 150 5080 2840 450 142 2900 1470
20000 22330 2400 22 4030 22 150 150 5374 2930 500 140 3110 1572
25000 27790 2800 24 3480 24 150 150 5028 2280 600 238 3510 1774
30000 33300 3000 26 3630 26 150 150 5282 2370 630 236 3720 1876
40000 44000 3200 28 4300 28 200 200 6060 2800 650 234 3900 1978
50000 55000 3400 30 4830 30 200 200 6690 3230 700 232 4100 2080
63000 69000 3600 32 5480 32 200 200 7440 3780 750 230 4300 2182
80000 88000 3800 34 6390 34 200 200 8460 4590 800 228 4500 2284

Мы также предлагаем комплектующие для эмалированного оборудования

Требуется помощь в выборе эмалированных систем?

Наши инженеры готовы предоставить экспертные консультации по коррозионностойким эмалированным реакторам, резервуарам для хранения и индивидуальным технологическим установкам для химической, фармацевтической и промышленной отраслей.

  • Схожая продукция
  • Другие продукты
Вертикальный эмалированный сборник открытого типа
Вертикальный эмалированный сборник открытого типа
Вертикальный эмалированный сборник закрытого типа
Вертикальный эмалированный сборник закрытого типа
Горизонтальный эмалированный сборник
Горизонтальный эмалированный сборник
Эмалированные колонны
Эмалированные колонны
Эмалированные теплообменники
Эмалированные теплообменники
Эмалированная биконическая вращающаяся сушилка
Эмалированная биконическая вращающаяся сушилка
Подробнее

Какие материалы можно хранить в эмалированных сборниках, а какие не стоит?

Эмалированные сборники устойчивы к коррозии от неорганических кислот, органических кислот, органических растворителей и слабых щелочей в различных концентрациях. Однако они не подходят для хранения сильных щелочей, плавиковой кислоты, сред, содержащих фториды, или фосфорной кислоты с концентрацией выше 30% при температурах выше 180 °C.

Какие типы эмалированных сборников вы предлагаете и поддерживается ли изготовление по индивидуальным параметрам?

Доступные варианты включают горизонтальные эмалированные сборники, вертикальные эмалированные сборники открытого типа и вертикальные эмалированные сборники закрытого типа различных объемов. Мы также можем спроектировать и разработать оборудование нестандартных размеров в соответствии с конкретными требованиями проекта.

Какие материалы используются в производстве вертикальных эмалированных сборников открытого типа?

Все наши резервуары для хранения изготавливаются из стали с внутренним стеклоэмалевым покрытием. Сталь дает емкости прочность и жесткость, а стеклоэмаль - устойчивость к воздействию коррозии. Покрытие также создает гладкую поверхность, которая является химически стабильной, умеренно термостойкой и легко очищается.

Как оценивается качество внешней и внутренней поверхности вертикальных эмалированных сборников?

Качество внешней поверхности оценивается путем визуального осмотра и испытаний с помощью приборов для проверки поверхностных дефектов. Качество внутренней поверхности зависит от ряда производственных факторов, включая точность формовки, качество сварных швов и обработки поверхности, а также строгого контроля на каждом этапе изготовления.

Какие варианты горизонтальных эмалированных сборников вы предлагаете?

Доступно несколько моделей. Некоторые резервуары имеют большой боковой люк и рубашку из полутруб и могут комплектоваться площадками, ограждениями и лестницами для упрощенного доступа к хранящимся материалам. Другие поставляются с выносными испарителями, что делает их подходящими для применений, требующих контроля температуры.

Jiangsu Gongtang Chemical Equipments Co., Ltd. Jiangsu Gongtang
Производитель эмалированного оборудования
Быстрый доступ
  • О нас
  • Экскурсия по предприятию
  • Сертификаты
  • Выставки
  • Поддержка и услуги
  • Наши проекты
  • Видео
Продукция
  • Эмалированные реакторы
  • Эмалированные сборники
  • Эмалированные колонны
  • Эмалированные теплообменники
  • Эмалированная биконическая вращающаяся сушилка
  • Комплектующие
  • Интегрированные промышленные системы
Контакты
chrisz.jsjjgt@outlook.com
+86-523-89110022
+86-15861003636