Jiangsu Gongtang Chemical Equipments Co., Ltd. Jiangsu Gongtang
  • 
  • Главная
  • О нас+
    • Профиль компании
    • Экскурсия по предприятию
    • Сертификаты
    • Выставки
  • Продукция+
  • Поддержка и услуги
  • Отрасли
  • Проекты
  • Контакты
  • Видео
  • Главная
  • Продукция
  • Эмалированные сборники
  • Вертикальный эмалированный сборник открытого типа
Вертикальный эмалированный сборник открытого типа
  • Вертикальный эмалированный сборник открытого типа
    Нестандартный эмалированный резервуар с плоской крышкой
  • Вертикальный эмалированный сборник открытого типа
    Эмалированный резервуар открытого типа с указателем уровня жидкости
  • Вертикальный эмалированный сборник открытого типа
    Эмалированный резервуар с опорными стойками и быстроразъемными соединениями
  • Вертикальный эмалированный сборник открытого типа
    Эмалированный резервуар открытого типа малого (пилотного) масштаба с опорными стойками и водонепроницаемым бортом

Вертикальный эмалированный сборник открытого типа

Коррозионностойкие емкости для хранения со съемной верхней крышкой

Вертикальные эмалированные сборники открытого типа оснащены приварными встык фланцами, соответствующими диаметру резервуара. Рассчитаны на номинальное внутреннее давление жидкости до 0,6 МПа, имеют вместимость от 50 л до 200 000 л и могут эксплуатироваться в диапазоне температур окружающей среды от 0 до +150 °C.

Запросить расценки

Наши коррозионностойкие емкости сочетают прочность стали с защитными свойствами стеклоэмалевого покрытия. Гладкая внутренняя поверхность сборника сохраняет высокое качество хранимых материалов, предотвращая загрязнение ионами металла и обеспечивая химическую и термическую стабильность. Кроме того, эмалированные резервуары данного типа легко очищаются и обслуживаются.

Благодаря всем представленным выше параметрам вертикальные эмалированные сборники открытого типа имеют длительный срок эксплуатационной службы и широко используются в нефтяной, химической, нефтехимической промышленности, а также при производстве пестицидов, пластмасс, пищевых продуктов, красителей, синтетических волокон и каучука.

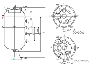
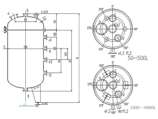
Габаритный чертеж
Габаритный чертеж
Габаритные размеры эмалированных сборников открытого типа (мм)
Ном. объем (Vном/л) DN D1 D2 D3 H H1 H2 H3 H4 S H5 H6
50 500 350 20 370 835 270 465 / 160 8 / /
100 500 350 20 370 1020 265 655 / 160 8 / /
200 600 360 20 420 1615 300 965 450 150 8 / /
300 700 420 25 490 1567 345 1070 500 205 10 / /
500 800 480 25 560 1950 385 1370 800 160 10 / /
1000 1000 600 25 700 2450 430 1770 1000 200 12 / /
1500 1300 780 30 950 2410 505 1625 800 170 14 / /
2000 1300 780 25 950 2654 505 1970 1200 200 14 / /
3000 1600 960 30 1200 2565 585 1815 1000 190 16 / /
4000 1600 960 30 1200 3065 585 2315 1500 190 16 / /
5000 1600 960 30 1200 3756 585 2784 1200 189 16 450 120
6300 1750 1200 30 1250 3625 625 2800 1200 190 18 450 120
8000 2000 1400 36 1500 3935 700 3020 1200 200 20 450 120
Технические характеристики штуцеров (мм)
Ном. объем (Vном/л) S S1 S2 a b c d e1.2 f1.2 g h
50 8 8 10 80 65 65 65 / / 65 /
100 8 8 10 80 65 65 65 65 / 65 /
200 8 8 10 125 65 65 65 65 / 65 /
300 10 10 10 125 80 65 65 65 / 80 /
500 10 10 10 150 80 80 65 65 / 80 /
1000 12 12 12 150 80 80 80 65 / 80 /
1500 14 14 12 200 100 80 80 65 / 100 80
2000 14 14 12 300×400 100 80 80 65 / 100 80
3000 16 16 12 300×400 100 80 80 65 / 100 80
4000 16 16 12 300×400 100 80 80 65 / 100 80
5000 16 16 12 300×400 125 100 100 65 65 125 100
6300 18 18 20 300×400 125 100 100 65 65 125 100
8000 20 20 20 300×400 125 100 100 65 65 125 125

Мы также предлагаем комплектующие для эмалированного оборудования

Требуется помощь в выборе эмалированных систем?

Наши инженеры готовы предоставить экспертные консультации по коррозионностойким эмалированным реакторам, резервуарам для хранения и индивидуальным технологическим установкам для химической, фармацевтической и промышленной отраслей.

  • Схожая продукция
  • Другие продукты
Вертикальный эмалированный сборник открытого типа
Вертикальный эмалированный сборник открытого типа
Вертикальный эмалированный сборник закрытого типа
Вертикальный эмалированный сборник закрытого типа
Горизонтальный эмалированный сборник
Горизонтальный эмалированный сборник
Эмалированные колонны
Эмалированные колонны
Эмалированные теплообменники
Эмалированные теплообменники
Эмалированная биконическая вращающаяся сушилка
Эмалированная биконическая вращающаяся сушилка
Подробнее

Какие материалы можно хранить в эмалированных сборниках, а какие не стоит?

Эмалированные сборники устойчивы к коррозии от неорганических кислот, органических кислот, органических растворителей и слабых щелочей в различных концентрациях. Однако они не подходят для хранения сильных щелочей, плавиковой кислоты, сред, содержащих фториды, или фосфорной кислоты с концентрацией выше 30% при температурах выше 180 °C.

Какие типы эмалированных сборников вы предлагаете и поддерживается ли изготовление по индивидуальным параметрам?

Доступные варианты включают горизонтальные эмалированные сборники, вертикальные эмалированные сборники открытого типа и вертикальные эмалированные сборники закрытого типа различных объемов. Мы также можем спроектировать и разработать оборудование нестандартных размеров в соответствии с конкретными требованиями проекта.

Какие материалы используются в производстве вертикальных эмалированных сборников открытого типа?

Все наши резервуары для хранения изготавливаются из стали с внутренним стеклоэмалевым покрытием. Сталь дает емкости прочность и жесткость, а стеклоэмаль - устойчивость к воздействию коррозии. Покрытие также создает гладкую поверхность, которая является химически стабильной, умеренно термостойкой и легко очищается.

Как оценивается качество внешней и внутренней поверхности вертикальных эмалированных сборников?

Качество внешней поверхности оценивается путем визуального осмотра и испытаний с помощью приборов для проверки поверхностных дефектов. Качество внутренней поверхности зависит от ряда производственных факторов, включая точность формовки, качество сварных швов и обработки поверхности, а также строгого контроля на каждом этапе изготовления.

Какие варианты горизонтальных эмалированных сборников вы предлагаете?

Доступно несколько моделей. Некоторые резервуары имеют большой боковой люк и рубашку из полутруб и могут комплектоваться площадками, ограждениями и лестницами для упрощенного доступа к хранящимся материалам. Другие поставляются с выносными испарителями, что делает их подходящими для применений, требующих контроля температуры.

Jiangsu Gongtang Chemical Equipments Co., Ltd. Jiangsu Gongtang
Производитель эмалированного оборудования
Быстрый доступ
  • О нас
  • Экскурсия по предприятию
  • Сертификаты
  • Выставки
  • Поддержка и услуги
  • Наши проекты
  • Видео
Продукция
  • Эмалированные реакторы
  • Эмалированные сборники
  • Эмалированные колонны
  • Эмалированные теплообменники
  • Эмалированная биконическая вращающаяся сушилка
  • Комплектующие
  • Интегрированные промышленные системы
Контакты
chrisz.jsjjgt@outlook.com
+86-523-89110022
+86-15861003636