Jiangsu Gongtang Chemical Equipments Co., Ltd. Jiangsu Gongtang
  • 
  • Главная
  • О нас+
    • Профиль компании
    • Экскурсия по предприятию
    • Сертификаты
    • Выставки
  • Продукция+
  • Поддержка и услуги
  • Отрасли
  • Проекты
  • Контакты
  • Видео
  • Главная
  • Продукция
  • Эмалированные сборники
  • Вертикальный эмалированный сборник закрытого типа
Вертикальный эмалированный сборник закрытого типа
  • Вертикальный эмалированный сборник закрытого типа
  • Вертикальный эмалированный сборник закрытого типа
    Эмалированный резервуар с высокими опорными стойками
  • Вертикальный эмалированный сборник закрытого типа
    Крупногабаритный эмалированный резервуар 120000 л с защитными ограждениями

Вертикальный эмалированный сборник закрытого типа

Коррозионностойкие емкости для хранения с крышкой, постоянно приваренной к корпусу резервуара

Мы занимаемся разработкой и производством вертикальных эмалированных сборников закрытого типа в номинальном объеме от 50 л до 200 000 л. Помимо стандартных конструкций мы также можем предложить клиентам разработку специфических модификаций резервуаров для хранения по индивидуальным требованиям.

Запросить расценки

Общая производительность наших эмалированных резервуаров для хранения напрямую зависит от контроля качества, который включает внешние и внутренние критерии оценки. Внешнее качество подтверждается визуальным и инструментальным контролем, в то время как внутреннее - определяется строгим соблюдением технологий на ключевых этапах производства: формовки, сварки и обработки поверхности.

Надежность эмалированного оборудования критически зависит от безупречности этих процессов, поскольку любые дефекты - как макроскопические, так и микроскопические, возникшие на производстве, при транспортировке или в эксплуатации, могут привести к выходу всей системы хранения из строя.

Для гарантии долговечности наши сборники покрываются высококачественной стеклоэмалью, которая сочетает прочность стали с химической стойкостью и барьерными свойствами стекла. Единообразие и высочайший уровень этого защитного покрытия достигаются за счет тщательного контроля на каждом этапе производства, что в конечном итоге гарантирует продолжительный срок службы.

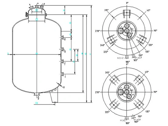
Габаритный чертеж
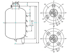
Габаритный чертеж
Габаритные размеры эмалированных сборников закрытого типа (мм)
Ном. объем (Vном/л) DN D1 D2 D3 D4 H H1 H2 H3 H4 H5 H6 H7 H8 S
3000 1600 600 420 30 1200 2740 300 2422 550 115 1000 / / 2220 16
5000 1600 600 420 30 1200 3720 305 3400 520 130 1200 460 1200 3160 16
6300 1750 600 420 30 1225 3924 310 3604 580 130 1200 424 1200 3304 18
8000 2000 700 490 36 1500 3880 340 3520 630 150 1100 500 1100 3280 20
10000 2200 700 490 36 1520 4053 340 3703 692 150 1200 600 1200 3392 20
20000 2600 700 490 36 1820 5540 340 5200 665 150 1800 600 1800 4605 24
30000 2800 700 490 36 1960 6090 340 5750 710 150 1800 600 1800 5510 26
40000 3200 800 480 36 2400 6870 386 6474 965 150 2200 500 2200 6125 28
50000 3400 800 480 36 2720 7500 386 7124 975 150 2600 570 2600 6630 32
Технические характеристики штуцеров (мм)
Ном. объем (Vном/л) a b c d e1-2 h1-2 g
3000 125 65 65 65 65 65 125
5000 125 65 65 65 65 65 125
6300 125 65 65 65 65 65 125
8000 125 80 65 65 80 80 125
10000 125 80 65 65 80 80 125
20000 300×400 100 100 125 100 100 125
30000 300×400 100 100 125 125 125 125
40000 125 150 100 100 125 125 200
50000 125 150 100 100 125 125 200

Мы также предлагаем комплектующие для эмалированного оборудования

Требуется помощь в выборе эмалированных систем?

Наши инженеры готовы предоставить экспертные консультации по коррозионностойким эмалированным реакторам, резервуарам для хранения и индивидуальным технологическим установкам для химической, фармацевтической и промышленной отраслей.

  • Схожая продукция
  • Другие продукты
Вертикальный эмалированный сборник открытого типа
Вертикальный эмалированный сборник открытого типа
Вертикальный эмалированный сборник закрытого типа
Вертикальный эмалированный сборник закрытого типа
Горизонтальный эмалированный сборник
Горизонтальный эмалированный сборник
Эмалированные колонны
Эмалированные колонны
Эмалированные теплообменники
Эмалированные теплообменники
Эмалированная биконическая вращающаяся сушилка
Эмалированная биконическая вращающаяся сушилка
Подробнее

Какие материалы можно хранить в эмалированных сборниках, а какие не стоит?

Эмалированные сборники устойчивы к коррозии от неорганических кислот, органических кислот, органических растворителей и слабых щелочей в различных концентрациях. Однако они не подходят для хранения сильных щелочей, плавиковой кислоты, сред, содержащих фториды, или фосфорной кислоты с концентрацией выше 30% при температурах выше 180 °C.

Какие типы эмалированных сборников вы предлагаете и поддерживается ли изготовление по индивидуальным параметрам?

Доступные варианты включают горизонтальные эмалированные сборники, вертикальные эмалированные сборники открытого типа и вертикальные эмалированные сборники закрытого типа различных объемов. Мы также можем спроектировать и разработать оборудование нестандартных размеров в соответствии с конкретными требованиями проекта.

Какие материалы используются в производстве вертикальных эмалированных сборников открытого типа?

Все наши резервуары для хранения изготавливаются из стали с внутренним стеклоэмалевым покрытием. Сталь дает емкости прочность и жесткость, а стеклоэмаль - устойчивость к воздействию коррозии. Покрытие также создает гладкую поверхность, которая является химически стабильной, умеренно термостойкой и легко очищается.

Как оценивается качество внешней и внутренней поверхности вертикальных эмалированных сборников?

Качество внешней поверхности оценивается путем визуального осмотра и испытаний с помощью приборов для проверки поверхностных дефектов. Качество внутренней поверхности зависит от ряда производственных факторов, включая точность формовки, качество сварных швов и обработки поверхности, а также строгого контроля на каждом этапе изготовления.

Какие варианты горизонтальных эмалированных сборников вы предлагаете?

Доступно несколько моделей. Некоторые резервуары имеют большой боковой люк и рубашку из полутруб и могут комплектоваться площадками, ограждениями и лестницами для упрощенного доступа к хранящимся материалам. Другие поставляются с выносными испарителями, что делает их подходящими для применений, требующих контроля температуры.

Jiangsu Gongtang Chemical Equipments Co., Ltd. Jiangsu Gongtang
Производитель эмалированного оборудования
Быстрый доступ
  • О нас
  • Экскурсия по предприятию
  • Сертификаты
  • Выставки
  • Поддержка и услуги
  • Наши проекты
  • Видео
Продукция
  • Эмалированные реакторы
  • Эмалированные сборники
  • Эмалированные колонны
  • Эмалированные теплообменники
  • Эмалированная биконическая вращающаяся сушилка
  • Комплектующие
  • Интегрированные промышленные системы
Контакты
chrisz.jsjjgt@outlook.com
+86-523-89110022
+86-15861003636