Jiangsu Gongtang Chemical Equipments Co., Ltd. Jiangsu Gongtang
  • 
  • Главная
  • О нас+
    • Профиль компании
    • Экскурсия по предприятию
    • Сертификаты
    • Выставки
  • Продукция+
  • Поддержка и услуги
  • Отрасли
  • Проекты
  • Контакты
  • Видео
  • Главная
  • Продукция
  • Эмалированные реакторы
  • Эмалированный реактор закрытого типа
Эмалированный реактор закрытого типа
Эмалированный реактор с четырехколонной стойкой

Эмалированный реактор закрытого типа

Коррозионностойкие реакционные сосуды с приваренной к сосуду крышкой

Эмалированные реакторы неразборного типа широко применяются в химической, нефтехимической, фармацевтической, лакокрасочной, пищевой промышленности и в производстве пестицидов, поскольку обладают отличной коррозионной стойкостью и долговечностью конструкции. Эмалированные реакторы закрытого типа способны выдерживать требования сложных технологических процессов, гарантируя пользователям высокую коррозионную стойкость, стабильность параметров и надежную эксплуатацию.

  • Объем: 50-80 000 л
  • Максимальное давление: до 16 бар (от атмосферного до высокого давления)
  • Рабочая температура: от -19°C до +200°C
  • Соответствие стандартам: CE/JIS/ASME/GB
Запросить расценки
Эмалированный реактор закрытого типа
Крупногабаритный эмалированный реактор закрытого типа 30000 л со стойкой на четырех колоннах и быстрооткрывающейся крышкой
Эмалированный реактор закрытого типа
Эмалированный реактор закрытого типа 3000 л с быстрооткрывающейся крышкой
Эмалированный реактор закрытого типа
Эмалированный реактор 20000 л для экспорта в Таиланд
Эмалированный реактор закрытого типа
Нестандартный эмалированный реактор с двумя крышками
Эмалированный реактор закрытого типа
Эмалированный реактор со стойкой на четырех колоннах и горизонтальным мотором-редуктором
Эмалированный реактор закрытого типа
Эмалированный реактор со стойкой на четырех колоннах, быстрооткрывающейся крышкой и усиленными фланцами
Эмалированный реактор закрытого типа
Эмалированный реактор 12500 л с горизонтальным мотором-редуктором и стойкой на четырех колоннах
Эмалированный реактор закрытого типа
Эмалированный реактор 10000 л с вертикальным мотором-редуктором

Данный тип эмалированных реакторов оснащается рубашкой для нагрева или охлаждения и мешалкой, что гарантирует эффективное перемешивание продукции и стабильное управление различными процессами. На крышке эмалированного реактора закрытого типа устанавливается специальный фланец под приварку для надежного соединения с внешними агрегатами, а высококачественная импортная эмаль поддерживает длительный срок службы всех компонентов.

Расчетное внутреннее давление может достигать 1,0 МПа, при этом доступны варианты эмалированных реакторов с объемом резервуара от 3000 до 50000 литров. Внешняя рубашка рассчитана на максимальное давление 0,6 МПа, а вместе вся конструкция эмалированного реактора может безопасно эксплуатироваться в диапазоне температур от -20 °C до +200 °C.

Технические характеристики
Расчетное давление Внутренний сосуд Сальниковое уплотнение 0.2 МПа
Механическое уплотнение 0.4/1.0 МПа
Рубашка 0.6 МПа
Расчетная температура Внутренний сосуд -20℃~+200℃
Рубашка -20℃~+200℃
Частота вращения мешалки Якорная/рамная мешалка 63 об/мин
Лопастная мешалка 110~130 об/мин
Импеллерная мешалка 110~130 об/мин
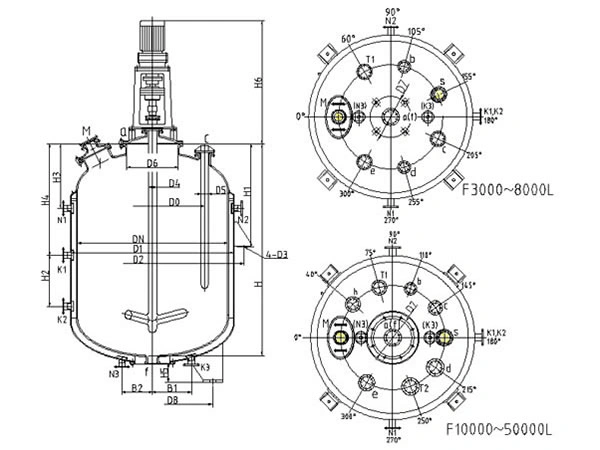
Габаритный чертеж
Габаритный чертеж
Габаритные размеры эмалированного реактора закрытого типа (мм)
Объем (л) 3000 5000 6300 8000 10000 12500 16000 20000 25000 30000 50000
Параметр
DN 1600 1600 1750 1750 2000 2200 2400 2400 2400 2600 2800 3200 3400
D0 1120 1220 1220 1220 1400 1540 1680 900 900 975 1050 1200 1500
D1 1750 1750 1900 1900 2200 2400 2600 2550 2550 2750 2950 3350 3600
D2 2029 2029 2200 2200 2502 3744 2940 2812 2812 3060 3335 3866 4378
D3 30 30 30 30 36 36 36 36 36 36 36 36 36
D4 φ95 φ95 φ95 φ95 φ110 φ110 φ110 φ110 φ125 φ140 φ160 φ160 φ180
D5 65×6 65×6 80×6 80×6 95×8 95×8 95×8 95×8 98×8 95×8 110×l2 110×12 125×12
D6 600 600 600 600 800 800 800 800 800 900 1100 1300 2000
D7 450 450 450 450 510 510 510 560 560 650 650 810 940
D8 1300 1300 1400 1400 1505 1645 1785 1785 1785 1925 2065 2345 /
H 2250 3275 2888 3244 3310 3513 3160 3495 3830 4640 5060 4900 6765
H1 1060 1160 1200 1200 1200 1300 1500 1300 1300 1400 1500 1750 2200
H2 / / 800 900 900 950 640 375 600 650 750 600 1700
H3 700 780 750 750 800 1300 1010 900 900 1000 1050 1150 1250
H4 1550 1710 1500 1700 1700 1850 1610 2000 2350 2500 2650 2650 2950
H5 200 200 200 200 355 340 315 315 315 330 250 240 /
H6 1454 1535 1535 1682 1702 1822 1822 1822 1822 2594 2594 2734 3260
B1 540 540 540 540 540 540 540 550 550 550 550 550 550
B2 370 370 370 370 370 370 370 470 470 470 470 470 470
Мощность (кВт) 5.5 7.5 7.5 11 11 18.5 18.5 18.5 22 22 22 30 45
Технические характеристики штуцеров (мм)
Объем (л) 3000 5000 6300 8000 10000 12500 16000 20000 25000 30000 50000
Параметр
DN 1600 1600 1750 1750 2000 2200 2400 2400 2400 2600 2800 3200 3400
a 150 150 150 150 200 200 200 200 200 250 250 250 250
b 100 100 125 125 150 150 150 150 150 200 200 / /
c 125 125 150 150 150 150 150 150 150 150 150 150 150
d 100 100 125 125 150 150 125 250 250 250 250 250 250
e 125 125 150 150 150 125 125 150 150 150 150 150 150
f 125 125 125 125 125 150 150 150 150 150 150 150 200
h / / / / / 150 150 150 150 200 200 200 /
M 300× 400 300× 400 300× 400 300× 400 300× 400 300× 400 300× 400 300× 400 300× 400 300× 400 300× 400 300× 400 300× 400
S 125 125 125 125 125 125 125 150 150 150 150 150 150
T1 100 100 125 125 200 200 200 200 200 200 200 200 250
T2 / / / / 150 150 150 150 150 200 200 200 200
N1-3 65 65 65 65 65 65 65 80 100 100 100 100 100
K1-3 65 65 65 65 65 65 65 65 65 65 65 80 80

Мы также предлагаем комплектующие для эмалированного оборудования

Требуется помощь в выборе эмалированных систем?

Наши инженеры готовы предоставить экспертные консультации по коррозионностойким эмалированным реакторам, резервуарам для хранения и индивидуальным технологическим установкам для химической, фармацевтической и промышленной отраслей.

  • Схожая продукция
  • Другие продукты
Эмалированный реактор открытого типа
Эмалированный реактор открытого типа
Эмалированный реактор закрытого типа
Эмалированный реактор закрытого типа
Эмалированный реактор с рубашкой из полутруб
Эмалированный реактор с рубашкой из полутруб
Эмалированные сборники
Эмалированные сборники
Эмалированные колонны
Эмалированные колонны
Эмалированные теплообменники
Эмалированные теплообменники
Подробнее

Из каких основных компонентов состоят реакторы открытого типа и каковы их функции?

Эмалированные реакторы открытого типа состоят из нескольких ключевых компонентов: корпуса, съемной крышки, уплотнительных прокладок и зажимов. Прокладки необходимы для создания герметичного слоя между крышкой и корпусом, а зажимы для плотного и надежного удержания всех компонентов во время работы реактора.

Как изменяется расчетное давление в зависимости от типа уплотнения?

Расчетное внутреннее давление зависит от метода уплотнения. При использовании сальникового уплотнения давление в сосуде составляет 0,2 МПа. При использовании механического уплотнения расчетное давление может достигать от 0,4 до 1.0 МПа в зависимости от конфигурации.

Какие конструктивные особенности упрощают эксплуатацию и обслуживание реакторов закрытого типа?

Некоторые модели эмалированных реакторов оснащаются быстрооткрывающимися лазом-люком и двумя лазами для облегчения доступа при осмотре и техническом обслуживании. Крышка конструктивно выполняется с приварными встык фланцами для создания более прочных соединений и упрощения монтажа дополнительного оборудования, сочетая долговечность с практичностью.

Какая конструкция рубашки обеспечивает лучшую теплопередачу для жидких нагревающих и охлаждающих сред: гладкая или с полутрубным змеевиком?

При работе с жидкими теплоносителями и хладагентами рубашка из полутруб, как правило, предлагает более высокую эффективность теплопередачи. Ее эффективная площадь меньше примерно на одну треть по сравнению с гладкой рубашкой, но скорость потока в два-три раза выше. Повышенная скорость потока в полутрубном змеевике помогает избежать многих проблем, характерных для традиционных конструкций, таких как неравномерность теплопередачи или образование отложений внутри рубашки.

Какая конструкция рубашки помогает предотвратить проблемы с возникновением коррозии при работе реактора с охлаждающей водой?

Рекомендуется использование рубашки из полутруб. Охлаждающая вода часто содержит ионы, такие как H⁺ и Cl⁻, ускоряющие коррозию. В гладких рубашках могут накапливаться отложения, усугубляя этот эффект. Повышенная скорость потока в полутрубных змеевиках минимизирует образование отложений и снижает риск образования коррозии.

Соответствуют ли эмалированные реакторы с рубашкой из полутруб требованиям сертификации Европейского Союза?

Да. Наши эмалированные реакторы имеют сертификат CE для Европейского Союза, а также соответствуют японским стандартам JIS, американским нормам ASME и китайским стандартам JB. Наличие этих сертификатов подтверждает полное соответствие требованиям для выхода на рынки ЕС.

Jiangsu Gongtang Chemical Equipments Co., Ltd. Jiangsu Gongtang
Производитель эмалированного оборудования
Быстрый доступ
  • О нас
  • Экскурсия по предприятию
  • Сертификаты
  • Выставки
  • Поддержка и услуги
  • Наши проекты
  • Видео
Продукция
  • Эмалированные реакторы
  • Эмалированные сборники
  • Эмалированные колонны
  • Эмалированные теплообменники
  • Эмалированная биконическая вращающаяся сушилка
  • Комплектующие
  • Интегрированные промышленные системы
Контакты
chrisz.jsjjgt@outlook.com
+86-523-89110022
+86-15861003636